Astro Info Service Limited
Information  Research Publications  Presentations
on the Human Exploration of Space
Established 1982
Incorporation 2003
Company No.4865911
E & OE
Gemini 5

GEMINI 5 MISSION REPORT

LAUNCH DATA

 

 

Launch

21 August 1965, 13:59:59 UTC

Launch Site

Pad 19, Cape Kennedy, Florida, USA

Launch Vehicle

Titan II Gemini Launch Vehicle No.5 (GLV-5)

Spacecraft

Spacecraft No. 5

Spacecraft Mass

Approx. 3,605 kg (7,948 lbs)

 

 

MISSION OBJECTIVE

Demonstrate long-duration crewed flight (first flight over 7 days); evaluate the effects of long periods of weightlessness on the crew; test rendezvous capabilities and procedures using a Rendezvous Evaluation Pod

 

 

CREW DATA

Crew Position

Name

Mission

Command Pilot

L. Gordon 'Gordo' COOPER Jr, 38,  USAF

2nd

Pilot

Charles 'Pete' CONRAD Jr, 35,

USN

1st

 

 

Flight Crew

2

Call Sign

Gemini Five

Back-Up Crew

Neil A. Armstrong (Command Pilot)

Elliott M. See Jr. (Pilot)

EVAs

None (none planned)

 

 

MISSION DATA

Flight Duration

7 days 22 hours 55 minutes 14 seconds

Distance Travelled

Approx. 5,242,682 km (3,257,652 miles), completing 120 orbits

Orbital Data

170 x 330 km (92 x 180 miles), with a period of 89.5 minutes

Landing

29 August 1965, 12:55:13 UTC

 

 

Barely two months after the success of Gemini 4, NASA was ready to go again with the next in the series, Gemini 5. This flight woud attempt to double the mission endurance to eight days, the expected duration of an Apollo flight to the Moon and back. It was important for Gemini, Apollo and indeed the American space programme at that time for the full eight days to be accomplished. It would surpass the milestone of one week in space and would smash the five-day record held by the Soviet Union since 1963. Gemini 5 was therefore a big mission, though there would be no attempted docking or EVA. Qualification of the fuel cell and the eight-day target were more important to NASA's long-term plans.

Gemini 5 became the first U.S. mission to have an official crew emblem. Featuring an image of a 19th century "Old West" covered wagon, whose slogan was "California or Bust", the Gemini 5 crew amended the motto to "Eight Days or Bust". When the design was proposed, the crew were told to cover up the slogan in case they "busted" before reaching the planned eight days.

Success then Disappointment

With good weather for the launch on 21 August, all looked set for another successful mission as the Titan carrying Gemini V and astronauts Goron Cooper and Pete Conrad rocketed skywards. This was Cooper's second mission, having set the U.S. endurance record on his Mercury 9 flight two years previously flying his Faith 7 spacecraft for over 34 hours and closing the Mercury programme. Rookie Pete Conrad was a member of the second group of astronauts, selected in 1962. Cooper reported that he found the Titan ride a lot smoother than that of his previous Atlas launch and that the new two-person spacecraft was a lot quieter, with the equipment stowed in the Adapter Module making better use of the space in the crew compartment, though it was still cramped.

Shortly after insertion into orbit and separation from the Titan vehicle, Conrad noted that the pressure in the fuel cell was very low. The plan was to operate the cells at the lowest possible pressure to ensure the duration of the mission - but not this low. Leaving that issue aside for the moment, the crew ejected the Rendezvous Evaluation Pod (REP) from the Adapter Module. The REP was a substitute for the Agena target, intended to practice rendezvous manoeuvres and investigate the issues encountered during Gemini 4 as a prelude to the first Agena docking that was planned for the Gemini 6 mission later in the year. The suitcase-sized pod, which Conrad had dubbed the "little rascal", worked as designed and was soon trailing the spacecraft as expected. However, the issue of the fuel cells became more critical when the heater failed to raise the internal pressure and it looked likely the fuel cells would have to be shut down. If so, the batteries would be able to support re-entry but the best option to land would not be available for another few orbits, raising concerns that the batteries might not be able to support even that short duration. Tests on the ground determined that the batteries would be good for at least a day on low power and there remained some life in the fuel cells to provide power for some of the experiments. The full rendezvous with the REP would have to be abandoned, but at least they would not have to come home immediately. It would be a day-by-day decision as to whether to remain aloft.

A Phantom Rendezvous

While the controllers worked out how to proceed with the mission under conditions of very low power from the fuel cells, astronaut Edwin E. 'Buzz' Aldrin, a rendezvous specialist working with the Planning and Analysis Division, devised a plan to perform at least a practice rendezvous later in the flight. By the third day, in what became the high point of their mission, the spacecraft was powered up again to enable the crew to complete a series of manoeuvres for what was termed a "phantom rendezvous". Using an imaginary point in space, they set up their calculations to arrive at that point as they would have done in a real rendezvous with a physical target. Their success under difficult circumstances gave confidence for the full rendezvous with an Agena target intended for Gemini 6.

Eight Days Floating in a "Garbage Can"

By far the most challenging task posed by the mission was enduring the eight days in a drifting spacecraft. With no EVA and little power for the experiment programme, this became a test of determination and endurance for the crew which, after the flight, Conrad likened to spending "eight days in a garbage can". At first, the astronauts tried to replicate the Gemini 4 crew by taking alternate sleep periods but that simply did not work, so they changed to sleeping simultaneously which worked better.

Even the novelty of being in Earth orbit in such a situation soon wore off, as both men were confined in a small space with little to do. After a year of training together they had little new to talk about. They were also unable to stretch out their aching bodies fully and their knees hurt. It was a challenge to keep their minds active for such a long time, inadvertently creating a new psychological precedent for the medics on the ground, namely how to keep a crew motivated in orbit with little to do and not much room to do it in. It was a challenge that the astronauts were not overjoyed at being the subjects of.

The venting of hydrogen and oxygen occasionally caused uncontrollable drifting and rotation, seemingly at random, turning the spacecraft away from pointing down towards Earth and out into the blackness of space. This was another frustration for the astronauts as their observations of Earth passing below them were frequently interrupted. The final three days were the worst, with even less power available for the control thrusters. Conrad later recorded that he would "go bananas" if they had had to stay aloft for longer than the eight days.

Experiment Programme

Despite all the problems early on in the mission, the crew were still able to work on all but one of the 17 experiments assigned to the mission. That single investigation was related to object photography of the REP, but the remaining photographic objectives were achieved, as were visual acuity investigations on targets in Texas and in Canarvon, Australia. Further medical studies were also completed, using the same investigations as those on Gemini 4 for data comparison.

By the fifth day, the crew were also having difficulties with the Orbital Attitude and Manoeuvring System (OAMS), which was gradually becoming sluggish before one thruster gave up entirely. As a result, the crew had to cease any experiment that required manoeuvring fuel and the spacecraft's electrical system was turned off to prevent an adverse build-up of water. By the next day the OAMS system was really playing up, with two thrusters now failed and Cooper only using the system to counteract excessive tumbling. When everything had been working the crew were very busy, but now the opposite occurred, with Conrad lamenting that he had not packed a book to read. As if all this was not enough, Hurricane Betsy was slowly but relentlessly moving towards the primary recovery area, resulting in the wise decision to terminate the mission one orbit early before the hurricane could impact the recovery.

Eight Days Without Busting

In a break from their routine during their 117th orbit, Cooper and Conrad had a four-minute conversation with fellow astronaut Scott Carpenter, who was participating in a 25-day submersible endurance test in the USN Sealab II experimental laboratory some 61 metres (200 feet) below the surface of the Pacific Ocean off the Californian coast. This was the first communication between inner and outer space.

Due to the irregular operation of the OAMS, the crew used one of the two rings of the Re-entry Control System (RCS) to position their spacecraft prior to coming home. In a night-time re-entry, Cooper had a hard time aligning the horizon, relying on his instruments until the morning light illuminated the crew compartment and his view outside. After completing a full-lift re-entry and a successful parachute descent, Gemini 5 splashed down in the Western Atlantic during their eighth day of flight. Despite coming home one orbit early due to Hurricane Betsy, they still surpassed the previous Soviet-held record of 4 days 23 hours 6 minutes with a new total of 7 days 22 hours 55 minutes. Had the extra orbit been flown then the mission would have exceeded the full eight-day duration by about 24 minutes, but for Cooper and Conrad - after all they had endured - it was close enough. When they surpassed the Soviet record for the most time in space, Mission Control had suggested a possible 'victory roll' celebration by the spacecraft. This was soon vetoed by the crew as they did not have enough fuel.

After splashdown, the crew reportedly ripped off the patch covering their "Eight Days or Bust" slogan, having achieved their objective on the mission.

After Gemini 5

At the end of the flight, with 84 hours 47 minutes from his two missions, Gordon Cooper became both the first person to orbit the Earth on two missions and the most experienced space explorer. It was a record he would hold for only four months, until rookies Frank Borman and Jim Lovell flew Gemini 7 for 14 days. Despite demonstrating his skill with the phantom rendezvous and a desire to fly on Apollo, this would be Cooper's last space flight. He next served as back-up Command Pilot for Gemini 12, the last of the series, then followed this with assignment as back-up Commander for Apollo 10. He was eligible to command Apollo 13 to the Moon but a lack of support from higher management meant he was replaced. Since he did not want to wait for a later flight, he lost his chance to walk on the Moon. Cooper left NASA in July 1970 to serve as a consultant to a number of companies. In his later years he suffered from Parkinson's Disease and died from a heart attack on 4 October 2004 at the age of 77.

Pete Conrad was not done with Gemini and served as back-up Command Pilot for Gemini 8 before flying as Command Pilot for Gemini 11 a year after his flight on Gemini 5. He would go on to command the Apollo 12 mission, becoming the third person to walk on the Moon. His final space flight was as commander of Skylab 2, the first crewed mission to the space station in 1973. He retired from NASA that same year and became Vice President for American Television and Communications Company. He then took up several senior roles for McDonnell Douglas. Conrad died at the age of 69 in 1999, from internal injuries sustained in a motorcycle accident.
[Home][Astrofile][Mission Reports][Profiles][Facts & Figures]
[Mission Data][Report]["Garbage Can"][Eight Days]
This Mission Report is copyright Astro Info Service Limited, 2018, 2026.

All images are courtesy of NASA, unless otherwise stated.
cover of David Shayler's Gemini 5 book
For the in-depth story of this mission, see David Shayler's 2023 Springer-Praxis title GEMINI 5.

Further details can be found in our SHOP.
the mission patch for Gemini 5 shows a covered wagon with the slogan '8 days or but' embroidered in red along its side
This version of the Gemini 5 mission patch shows the "8 days or bust" slogan that the crew had to cover up until the end of the mission, when they had achieved that objective.
The prime and back-up crews for Gemini 5 pose for photographs while standing behind a model of the Gemini capsule on a table.
The Gemini 5 Prime and Back-Up crews are seen standing behind a model of the Gemini spacecraft. (L to r) Elliott See  (BUp Pilot), Neil Armstrong (BUp Command Pilot), Pete Conrad (Pilot) and Gordon Cooper (Command Pilot).
A black and white image showing the new fuel cells housed in the Adapter Module of Gemini 5
This image shows the fuel cells that would be used for the first time on the Gemini 5 mission, housed in the Adapter Module of the spacecraft. Issues with the fuel cells would curtail many of the activities on the mission and make it a tougher test for the two crewmen.
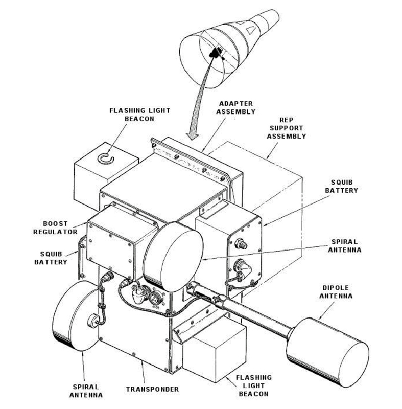
Line drawing of the Radar Evaluation Pod that the crew was supposed to practice rendezvous manoeuvres with on this mission
Detail drawing of the Rendezvous Evaluation Pod, with which the crew were supposed to conduct rendezvous manoeuvring experiments on Gemini 5. This was a significant objective that had to be abandoned due to the fuel cell problems on the mission.
A range of cameras and optics is shown on a table. These optics would be installed on the Gemini 5 spacecraft
Some of the optical and photographic equipment that would be installed on Gemini 5 as part of the experiment programme.
Gordon Cooper and Pete Conrad are seen lying in the Gemini 5 spacecraft in the White Room at the top of the launch tower
Cooper (left) and Conrad are seen inside the Gemini 5 spacecraft, in the White Room at Pad 19 shortly after insertion prior to launch.
A clear image from Earth orbit, showing the Florida coastline around the Kennedy Space Center from which the mission had launched
Pad 19 and the rest of the Kennedy Space Center, Cape Kennedy, Florida, are visible in this image taken from orbit during the mission.
Portrait of a tired looking Pete Conrad in his spacesuit, taken on orbit suring the eight-day Gemini 5 flight
The strain of his eight-day flight "in a garbage can" shows on the face of Pete Conrad in this onboard image from the mission
A grinning Conrad playfully tugs the eight-day beard growth on the chin of Cooper while aboard their recovery ship
A playful Conrad tugs on the eight-day beard growth of mission commander Gordon Cooper aboard the recovery vessel USS Lake Champlain shortly after the crew's retrieval from the Atlantic Ocean.